• Увеличение прибыльности АЗК
  • Увеличение прибыльности АЗК
  • Зарядные станции для электромобилей
+7 776 775 31 55ЗВОНОК БЕСПЛАТНЫЙ
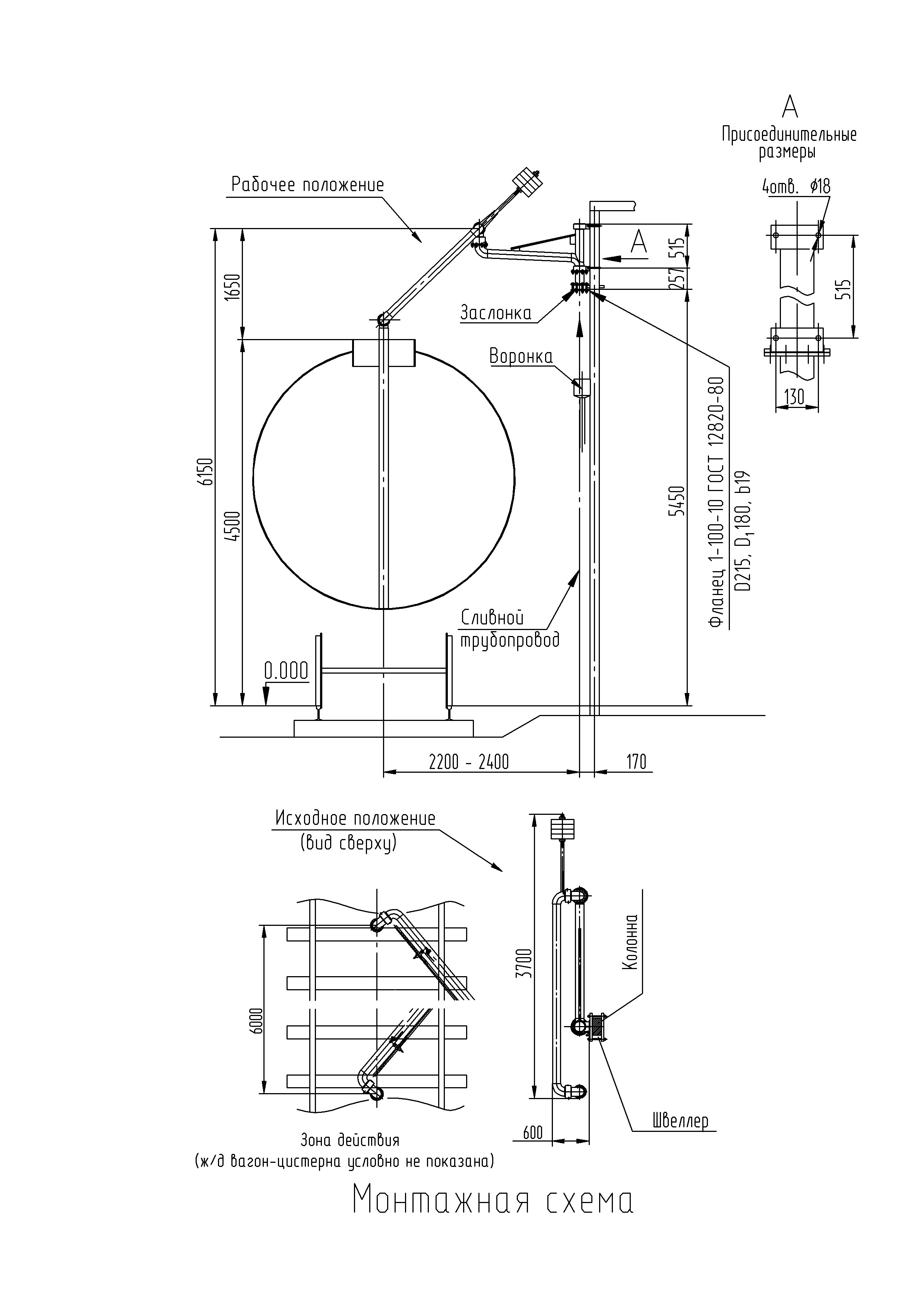
Устройство верхнего слива УНЖ6-100С

УСТРОЙСТВО ВЕРХНЕГО СЛИВА УНЖ6-100С

Нашли дешевле?
Под заказ с центрального склада
Вопрос о товаре?
За подробной информацией обратитесь к нашим экспертам по бесплатному номеру 8 702 222 72 22

Описание

Устройство верхнего слива УНЖ6-100С предназначено для верхнего слива нефти и нефтепродуктов из железнодорожных цистерн.

 

Особенности УНЖ:

  1. Двухрядные шарниры:
     — обеспечивают легкое перемещение устройства без перекосов при длительной эксплуатации;
  2. Удлиненная сливная труба достает до дна цистерн различных типов, что обеспечивает максимальное удаление продукта.
  3. Ручная заслонка при необходимости позволяет в любой момент прекратить слив.

 

Технические характеристики УНЖ:

  • Диаметр условного прохода - 100 мм
  • Зона действия - 6 м
  • Условное давление - 1 МПа (10 кгс/см2)
  • Расчетная пропускная способность - 150 м3/час
  • Усилие при управлении устройством в пределах рабочей зоны - 50 Н (5 кгс)
  • Обслуживающий персонал - 1 чел
  • Габаритные размеры в сложенном положении - 3950 х 3700 х 600 мм
  • Масса - 180 кг

 

Устройство верхнего слива УНЖ монтажная схема

 ung

Доставка и оплата

Доставка по России возможна любым удобным для заказчика способом. Возможные варианты:

Транспортная компания «Деловые линии»:
Ежедневно мы отправляем Ваши заказы данной транспортной компанией.
Примерные сроки и стоимость доставки можно посмотреть на сайте транспортной компании или узнать у наших сотрудников.
При выборе данной транспортной компании - доставка до терминала в г. Москва производится за наш счет!

Курьерская компания «СДЕК»:
Примерные сроки и стоимость доставки можно посмотреть на сайте компании. Точные стоимость и сроки доставки может рассчитать наш менеджер. Доставка осуществляется по указанному заказчиком адресу.

Другие транспортные компании и курьерские службы:
Наша компания работает с большинством известных транспортных компаний, таких как GTD (Кашалот), ПЭК, Ратек, Байкал-Сервис, Энергия, Dimex и т.д.
Если у Вас или Вашей организации есть договор с какой-либо транспортной компанией доставляющей для Вас грузы, мы можем передать Ваш заказ представителям транспортной компании у нас на складе.

Другие варианты:
Позвоните нам или напишите, обсудим предложенные Вами варианты.

Для оплаты доступно несколько способов:

Юридическим лицам - безналичным переводом

После оформления заказа и согласования с нашими сотрудниками Вам будет выслан счёт на оплату на Ваш адрес по эл.почте или факсу.

Физическим лицам

К оплате принимаются платежные карты: VISA, MasterCard, Мир.

Для оплаты товара через СБП при оформлении заказа в интернет-магазине выберите способ оплаты: с помощью QR-кода.

Подробнее о способах оплаты

Гарантия

На поставляемое оборудование распространяются заводские гарантии, с обозначенным сроком в паспорте изделия. В случае выхода из строя оборудования до истечения срока гарантийного срока данное оборудование отправляется на завод-изготовитель для выявления причин выхода из строя. Если поломка вызвана заводским браком, то данная неисправность устраняется или оборудование меняется на новое. В этом случае расходы на транспортировку компания «АЗС Комплект» возьмет на себя.

Если поломка вызвана неправильной установкой или эксплуатацией оборудования, транспортные расходы оплачиваются покупателем.

Перед установкой и началом эксплуатации оборудования мы настоятельно рекомендуем подробно ознакомиться со всей сопутствующей документацией, или обратиться в нашу кампанию за профессиональной установкой и обслуживанием приобретаемого оборудования.

Подробнее можно ознакомиться на странице О гарантии.

Отзывы о компании

// //